Таль электрическая канатная Т 78 (4т 9м)
Описание
Передвижная электрическая канатная таль серии Т 78 с уменьшенной строительной высотой выпускается с 2-мя скоростями подъема 4 или 6 м/мин. В стандартном исполнении тали присутствует микроскорость подъема в соотношении 1/4 или 1/6. Тали Т78 выпускаются в стандартном исполнении грузоподъемностью до 10 тонн и с высотами подъема до 12 метров.
Опционально электроталь может быть оснащена:
Опционально электроталь может быть оснащена:
- Ограничитель грузоподъемности
- Микроскорость перемещения (горизонтального)
- Радиоуправление
Характеристики
|
Грузоподъемность, кг
|
4000 |
|
Высота подъема, м
|
9 |
|
Тип тали
|
канатная |
|
Тип привода
|
электрический |
|
Каретка перемещения
|
с электроприводом |
|
Скорость подъема, м/мин
|
4, 6 |
|
Микроскорость
|
1/4, 1/6 |
|
Скорость перемещения, м/мин
|
20 |
|
Кратность полиспаста
|
4/1 |
|
Профиль пути/ширина полки, мм
|
130 - 150 |
|
Мин. радиус поворота пути, м
|
2.5000 |
|
Строительная высота, мм
|
680.0000 |
|
Напряжение питания, В
|
3x380 |
|
Мощность двигателя, кВт
|
3, 0.25 |
|
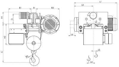
Габаритные размеры, мм
|
см. таблицу |
|
Масса, кг
|
см. таблицу |




