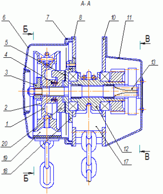
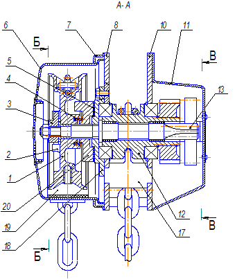
Таль ручная цепная шестеренная ТРШБп-3.2/9
Таль ручная шестерённая передвижная с поворотным кожухом тяговой цепи ТРШБп-3.2 предназначена для подъёма, удержания в поднятом положении и опускания груза массой до 3.2 т, а также для перемещения груза по подвесному пути (ездовым балкам двутаврового профиля) при различных работах в режиме не выше группы режима 1М по ГОСТ 25835. Перемещение тали по подвесному пути осуществляется приложением усилия оператора тали к тяговой цепи кошки тали. Конструктивно таль представляет собой стационарную таль ТРШСп-3.2 сопряженную с кошкой ручной К3.2Б.
Поворотный кожух на управляющей цепи является важным преимуществом талей ТРШАп/ТРШБп, так как повышает безопасность и удобство работы оператора тали - работать с талью можно находясь в стороне от поднимаемого груза.
Тали ручные передвижные шестеренные ТРШБп-3.2 изготавливаются также во взрывобезопасном и/или пожаробезопасном исполнениях.
|
Грузоподъемность, кг
|
3200 |
|
Высота подъема, м
|
9 |
|
Тяговое усилие, кг
|
38, 17.5 |
|
Тип тали
|
цепная, шестеренная |
|
Тип привода
|
ручной |
|
Каретка перемещения
|
ручная |
|
Взрывозащищенное исполнение
|
опция |
|
Кратность полиспаста
|
3/1 |
|
Грузовая цепь
|
Ø 6 × 18 |
|
Тяговая цепь
|
Ø 5 x 26 |
|
Профиль пути/ширина полки, мм
|
№ 20, 22, 24, 27, 30; 36 (ГОСТ 8239), № 24М, 30М, 36М; 45М (ГОСТ 19425) |
|
Мин. радиус поворота пути, м
|
2.0000 |
|
Строительная высота, мм
|
600.0000 |
|
Габаритные размеры, мм
|
см. схему |
|
Масса, кг
|
- |
- таль (1шт)
- подвеска нижняя (1шт)
- грузовая цепь (1шт)
- тяговая цепь (2шт)
- тара
- паспорт на таль (1шт).





