Таль электрическая канатная Т 10736 (8т 12м)
Описание
Передвижная электрическая канатная таль серии Т 10 выпускается в 2-х вариантах. Для высот подъема до 12 метров с 1 тележкой передвижения, более 12 м - с двумя. Скорость подъема талей этой серии 8 либо 12 м/мин. Тали Т10 выпускаются в стандартном исполнении грузоподъемностью до 8 тонн и с высотами подъема до 36 метров.
Опционально электроталь может быть оснащена:
Опционально электроталь может быть оснащена:
- Ограничитель грузоподъемности
- Микроскорость подъема
- Радиоуправление
Характеристики
|
Грузоподъемность, кг
|
8000 |
|
Высота подъема, м
|
12 |
|
Тип тали
|
канатная |
|
Тип привода
|
электрический |
|
Каретка перемещения
|
с электроприводом |
|
Скорость подъема, м/мин
|
8 |
|
Микроскорость
|
1/2 (опция) |
|
Скорость перемещения, м/мин
|
20 |
|
Кратность полиспаста
|
2/1 |
|
Профиль пути/ширина полки, мм
|
130 - 150 |
|
Мин. радиус поворота пути, м
|
3.5000 |
|
Строительная высота, мм
|
1750.0000 |
|
Напряжение питания, В
|
3x380 |
|
Мощность двигателя, кВт
|
12.5, 0.37 |
|
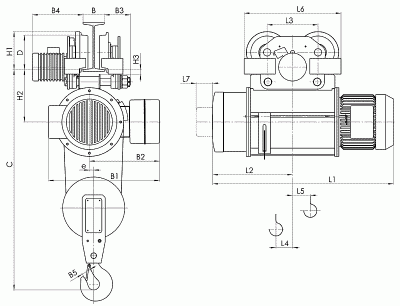
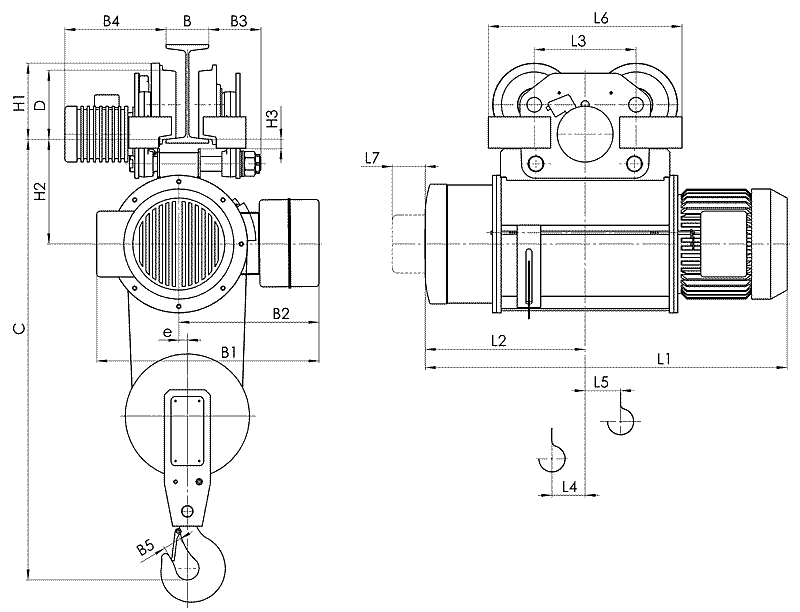
Габаритные размеры, мм
|
см. таблицу |
|
Масса, кг
|
см. таблицу |





