Таль электрическая канатная МТ 763 (12,5т 40м)
Описание
Передвижная электрическая канатная таль серии МТ 763 выпускается с 2-мя скоростями подъема 8 или12 м/мин. Тали серии МТ - модернизированная версия талей серии Т, отличается от них уменьшенными габаритными размерами и весом, сохряняя при этом надежность талей серии Т.
<br />
Стандартное оснащение:
<ul>
<li>Тормоз механизма подъема</li>
<li>Тормоз механизма перемещения</li>
<li>Тепловая защита двигателя подъема</li>
<li>Пыле-влагозащита IP 54</li>
</ul>
Опционально электроталь может быть оснащена:
<ul>
<li>Ограничитель грузоподъемности</li>
<li>Микроскорость подъема</li>
<li>Микроскорость перемещения (горизонтального)</li>
<li>Радиоуправление</li>
</ul>
<br />
Стандартное оснащение:
<ul>
<li>Тормоз механизма подъема</li>
<li>Тормоз механизма перемещения</li>
<li>Тепловая защита двигателя подъема</li>
<li>Пыле-влагозащита IP 54</li>
</ul>
Опционально электроталь может быть оснащена:
<ul>
<li>Ограничитель грузоподъемности</li>
<li>Микроскорость подъема</li>
<li>Микроскорость перемещения (горизонтального)</li>
<li>Радиоуправление</li>
</ul>
Характеристики
|
Грузоподъемность, кг
|
12500 |
|
Высота подъема, м
|
40 |
|
Тип тали
|
канатная |
|
Тип привода
|
электрический |
|
Каретка перемещения
|
с электроприводом |
|
Скорость подъема, м/мин
|
6, 8 |
|
Микроскорость
|
2/3 (опция) |
|
Скорость перемещения, м/мин
|
20 |
|
Кратность полиспаста
|
2/1 |
|
Профиль пути/ширина полки, мм
|
130 - 150 |
|
Строительная высота, мм
|
1925, 1910 |
|
Напряжение питания, В
|
3x380 |
|
Мощность двигателя, кВт
|
16, 2 х 0.37 |
|
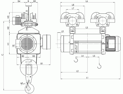
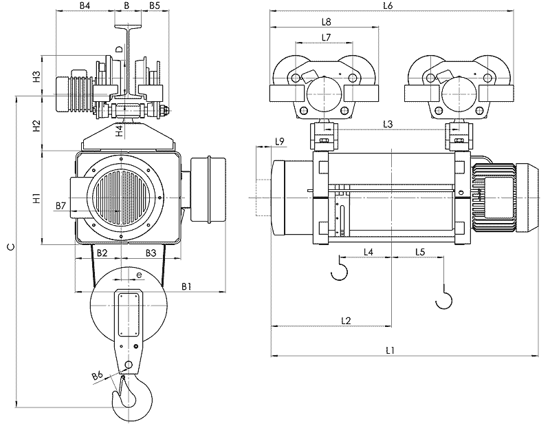
Габаритные размеры, мм
|
см. таблицу |
|
Масса, кг
|
см. таблицу |





