Таль электрическая канатная МТ 516 (3,2т 25м)
Описание
Передвижная электрическая канатная таль серии МТ выпускается с 3-мя скоростями подъема 8, 12 или 16 м/мин. Тали серии МТ - модернизированная версия талей серии Т, отличается от них уменьшенными габаритными размерами и весом, сохряняя при этом надежность талей серии Т.
Стандартное оснащение:
Стандартное оснащение:
- Тормоз механизма подъема
- Тормоз механизма перемещения
- Тепловая защита двигателя подъема
- Пыле-влагозащита IP 54
- Ограничитель грузоподъемности
- Микроскорость подъема
- Микроскорость перемещения (горизонтального)
- Радиоуправление
Характеристики
|
Грузоподъемность, кг
|
3200 |
|
Высота подъема, м
|
25 |
|
Тип тали
|
канатная |
|
Тип привода
|
электрический |
|
Каретка перемещения
|
с электроприводом |
|
Скорость подъема, м/мин
|
8, 12, 16 |
|
Микроскорость
|
1/2 (опция), 1/4 (опция) |
|
Скорость перемещения, м/мин
|
20 |
|
Кратность полиспаста
|
2/1 |
|
Профиль пути/ширина полки, мм
|
130 - 150 |
|
Строительная высота, мм
|
1415, 1530 |
|
Напряжение питания, В
|
3x380 |
|
Мощность двигателя, кВт
|
4.5, 2 х 0.25 |
|
Габаритные размеры, мм
|
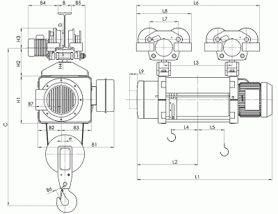
см. таблицу |
|
Масса, кг
|
см. таблицу |






