Таль электрическая канатная ТЭ 500-541
341 000 ₽
Наличие уточняйте
-
+
В корзину
Обращаем Ваше внимание на то, что приведенные цены, характеристики и фотографии товаров носят исключительно ознакомительный характер и не являются публичной офертой, определяемой пунктом 2 статьи 437 Гражданского кодекса Российской Федерации.
Описание
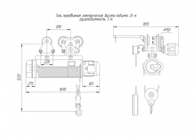
Передвижная электрическая канатная таль ТЭ 500 грузоподъемностью 5000кг оснащена кареткой передвижения с электроприводом. Таль предназначена для подъема, удержания и опускания различных грузов а также для горизонтального перемещения грузов вдоль монорельсового пути двутаврового профиля.
Базовая комплектация:
Базовая комплектация:
- нормальная строительная высота
- одна скорость на подъем
- одна скорость на передвижение
- тормоза на всех приводах
- управление с подвесного пульта
- передвижение по прямолинейному пути
- степень защиты IP54
- температура эксплуатации -20°С ... +40°С
- установка частотных преобразователей
- радиоуправление
- специальная покраска
- световая сигнализация
- звуковая сигнализация
- температура эксплуатации -40°С ... +40°С
- ограничитель грузоподъемности
- концевые выключатели на ход тали
Характеристики
|
Грузоподъемность, кг
|
5000 |
|
Высота подъема, м
|
24.0 |
|
Тип тали
|
канатная |
|
Тип привода
|
электрический |
|
Каретка перемещения
|
с электроприводом |
|
Скорость подъема, м/мин
|
8.0 |
|
Скорость перемещения, м/мин
|
20.0 |
|
Взрывозащищенное исполнение
|
опция |
|
Кратность полиспаста
|
2/1 |
|
Профиль пути/ширина полки, мм
|
30М; 36М; 45М (ГОСТ 19425) |
|
Мин. радиус поворота пути, м
|
4.0 |
|
Строительная высота, мм
|
1220 |
|
Напряжение питания, В
|
3x380 |
|
Мощность двигателя, кВт
|
7.5, 0.8 |
|
Габаритные размеры, мм
|
1690х900х1220 |
|
Масса, кг
|
691 |



