Стенд для разборки и сборки двигателей Р1250
Артикул:
Р1250
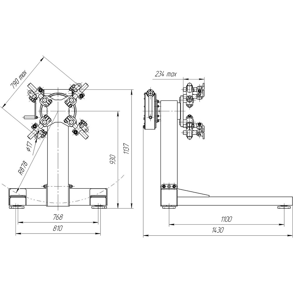
Стенд универсальный для ремонта двигателей, КПП весом до 1600кг. Привод - ручной через червячный редуктор, стационарный.
Подробнее
180 000 ₽
Наличие уточняйте
-
+
В корзину
Обращаем Ваше внимание на то, что приведенные цены, характеристики и фотографии товаров носят исключительно ознакомительный характер и не являются публичной офертой, определяемой пунктом 2 статьи 437 Гражданского кодекса Российской Федерации.
Описание
Стенд универсальный для ремонта двигателей, КПП весом до 1600кг. Привод - ручной через червячный редуктор, стационарный.
Предназначен для разборки-сборки двигателей, КПП и других агрегатов весом не более 1600 кг.
- Универсальные адаптеры позволяют закрепить на стенд любой двигатель, КПП, задний мост или другой узел весом до 1600 кг.
- Удобство работы обеспечивается за счет самотормозящегося червячного редуктора, который позволяет повернуть и зафиксировать закрепленный на стенде двигатель или другой узел в нужном положении.
- Разборная конструкция рамы стенда
Характеристики
|
Грузоподъемность, кг
|
1600 |
|
Габаритные размеры, мм
|
1430/940/1137 |
|
Масса, кг
|
243 |








